熔斷器 HRW12-10/100A






HRW12-10/100A,交流熔斷器靜觸頭安裝在絕緣支架兩端HRW12-10/100A,交流熔斷器
概述:
跌落式熔斷器是配電線路分支線和配電變壓器常見的一種短路保護開關。它具有經濟、操作方便、適應戶外環境性強等特點,被廣泛應用于配電線路和配電變壓器一次側作為保護和進行設備投、切操作之用。安裝在配電線路分支上,可縮小停電范圍。因其有一個明顯的斷開點,具有了隔離開關的功能,給檢修線路和設備創造了一個安全作業環境,增加了檢修人員的安全性。帶拉負荷的跌落式熔斷器,還配有彈性輔助觸頭和滅弧罩,用以分合額定負荷電流。
一、用途
HRW12-10/100A,交流熔斷器保證具有較強防腐性能HRW12-10/100A,交流熔斷器跌落式熔斷器及拉負荷跌落式熔斷器是戶外高壓保護電器,它裝配在配電變壓器高壓側或配電線支干線路上,作輸電線路、電力變壓器過載和短路保護及分合額定負荷電流之用。
跌落式熔斷器是配電線路分支線和配電變壓器***常用的一種短路保護開關,它具有經濟、操作方便、適應戶外環境性強等特點,被廣泛應用于35kV配電線路和配電變壓器一次側作為保護和進行設備投、切操作之用。它安裝在35kV配電線路分支線上,可縮小停電范圍,因其有一個明顯的斷開點,具備了隔離開關的功能,給檢修段線路和設備創造了一個安全作業環境,增加了檢修人員的安全感。安裝在配電變壓器上,可以作為配電變壓器的主保護,所以,在35kV配電線路和配電變壓器中得到了普及。
二、結構簡介
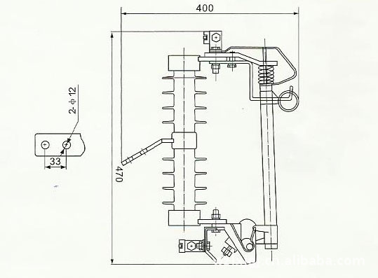
跌落式熔斷器由絕緣支架和熔絲管兩大部分組成,靜觸頭安裝在絕緣支架的兩端,動觸頭安裝在熔絲管的兩端,熔絲管由內層的消弧管和外層環氧玻璃管組成。拉負荷跌落式熔斷
器增加彈性輔助頭及滅弧罩,用以分、合負荷電流。跌落式熔斷器在正常運行時,熔絲管借助熔絲張緊后形成閉合位置。當系統發生故障時,故障電流使熔絲迅速熔斷,并形成電弧,消弧管受電弧灼熱,分解出大量的氣體,使管內形成很高壓力,并沿管道形成縱吹,電弧被迅速拉長而熄滅。熔絲熔斷后,下部動觸頭失去張力而下翻,鎖緊機構釋放熔絲管,熔絲管跌落,形成明顯的開斷位置。當需要要拉負荷時,用絕緣桿拉開動觸頭,此時主動、靜助觸頭仍然接觸,繼續用絕緣桿拉動觸頭,輔助觸頭也分離,在輔助觸頭之間產生
電弧,電弧在滅弧罩狹縫中被拉長,同時滅弧罩產生氣體,在電流過零時,將電弧熄滅。
三、熔絲的選擇
熔絲的選擇應能保證配電變壓器內部或高、低壓出線套管發生短路時能迅速熔斷。實踐中常按以下原則選擇:配電變壓器容量為160kVA以下的,熔絲按變壓器額定電流的2~3倍來選;配電變壓器容量為160kVA及以上的,按1.5~2倍選擇。熔絲的選擇還必需考慮熔絲的熔斷特性能否與上級保護時間相配合,這是決定采用熔絲保護能否生效的關鍵問題。配電線路的速斷保護動作時間很短,約為0.1s左右。根據熔絲的特性曲線,在0.1s內使熔絲熔斷的電流應不小于額定電流的20倍。這一數據是保證熔絲與首端斷路器配合的必要條件。
四、使用條件
1、適用于戶外
2、環境溫度:-40℃~40℃;
3、海拔不超過1200m;
4、風速不大于35m/s;
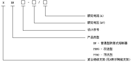
五、型號說明





|